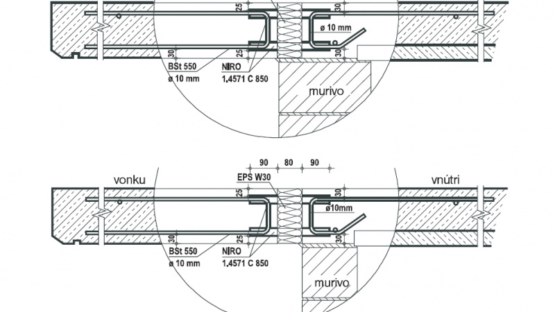
Technické riešenie
V stiesnených podmienkach sa však môžu použiť aj koše s 1 až 9 rebrami, ktoré majú jednotný minimálny odstup rebier 10 cm. Šírka koša tak závisí od počtu rebier. Dimenzovanie profilov U 30 vychádza z pevnosti materiálu 420 N/mm2.
Maximálne dovolené momenty a priečne sily, nevyhnutné pre zostavenie interakčných diagramov, sa vypočítali s pomocou modifikovaného tzv. Vierendeelovho nosníka. Rozsiahle skúšky železobetónových dosiek a konzol potvrdili správnosť zvoleného výpočtového modelu.
Pre odborný návrh, a dodanie termokošov nás neváhajte kontaktovať.






